| Автор |
Сообщение |
|
|
Дата: 17 Сен 2025 15:30:19
#
vasya pelengator
при переходе на 200 Ом линейность ещё растёт (при том же токе покоя) и трансформатором вниз 2:1 по виткам даст к кабелю источник импедансом 50 Ом "без вредных привычек". От спада на 6 дБ это не спасёт, зато на базе ЭП большего порядка. Если грамотно составить схему, можно даже с постоянным током оставить трафо. Образно, ЭП посадить на 10 мА через 2 обмотки в трафо. Входной каскад тоже на 10 мА , итого весь усилитель на 20 мА и питать из фидера через одну выходную обмотку. В итоге постоянно поле в феррите компенсировано.
Mihaill
голыми эмиттерами я возился при разработке активных антенн и быстро с ними попрощался по всем выше перечисленными причинами. ЭП только в вузовских учебниках продаётся таблеткой от всех проблем. На самом деле он причина куда сложнее проблем. При эксперименте увидите, что при малом размахе до 20...40 мВ всё вроде красиво до искажений -40 дБ, а при 100 мВ емкость кабеля начинает вредить прямо уже визуально. А если требования по линейность -80...-100 дБ , то считанные милливольт достаточно для образования IM2. В РАДИО 2022 года я всё это показал.
в далёком 1996 купил CD-плейер Pioneer хороший с тарелкой на 6 дисков, не дешёвый. Купил хороший RCA-аудиокабель 8м для соединения с усилителем. Всё подключил и ужаснулся от качества звука. Брал с собой в мастерскую, там всё нормально, кабель коротки 50см к усилителю. В итоге оказалось, что на 600 Ом выходе они установили голый ЭП. После установки последовательных резисторов 560 Ом всё сработало.
Читайте про видеоусилители работающие на длинные кабели. Всё изобрели давно до нас.
|
|
|
Дата: 17 Сен 2025 17:45:55 · Поправил: Valery (17 Сен 2025 17:46:58)
#
Mihaill
Ваша схема эмиттерника и методика обнаружения влияния этой ужасной ëмкости кабеля, гробящей работу эмиттерника.
Если я правильно понял уважаемого Хайо, то "проблема эмиттерника" возникает только при высокоомной нагрузке.
И на частотах, где входное сопротивление кабеля имеет емкостную составляющую.
В данном случае подлянка, которую нам преподносит кабель, вполне понятна и легко объяснима.
|
|
|
Дата: 17 Сен 2025 18:47:49
#
Valery
Если я правильно понял уважаемого Хайо, то "проблема эмиттерника" возникает только при высокоомной нагрузке.
И на частотах, где входное сопротивление кабеля имеет емкостную составляющую.
В данном случае подлянка, которую нам преподносит кабель, вполне понятна и легко объяснима.
Возможно.
Но нас интересует коаксиальный кабель, нагруженный на сопротивление, равное его волновому.
Смоделировал в Микро-Капе эмиттерник хороший и похуже, чтобы обнаружить увеличение искажений при нагрузке его через кабель по сравнению с непосредственной нагрузкой напрямую без кабеля. Включение кабеля даже уменьшает искажения. Непонятно, я ожидал только уменьшения размаха сигнала за счёт потерь в кабеле, но кроме этого ещё и искажения уменьшаются. Возможно, программа врёт. В моём представлении включение кабеля не должно влиять на искажения. Пробовал и на низких частотах и на высоких – картина одна и та же.
Эмиттерник – вещь плохая, несимметричная. В сторону эмиттера тянет напряжение хорошо, в обратную резистором гораздо хуже, особенно, если номинал резистора великоват. Если его ещё через переходную ёмкость посадить на низкоомную нагрузку – совсем будет плохо. Переходная ёмкость зарядится током с эмиттера, а разряжаться будет медленнее через сравнительно высокоомный эмиттерный резистор и будет подпирать эмиттер, приводя к искажениям.
|
|
|
Дата: 17 Сен 2025 23:49:22
#
Mihaill
снижение искажений симулятор показывает из-за действия ФНЧ от емкости. Но это про гармонические искажения. Пробуйте двухтональный сигнал и смотрите IM2 IM3. Если ставить последовательный резистор, искажения почти исчезнут.
Искажения хорошо видны, если в коллекторной цепи поставить 10 Ом и на нём измерить ток, который в эмиттере действует.
Ещё смотрите выпрямительное действие на эмиттере. Для этого от эмиттера ставьте 1 МОм и 1 мкФ ФНЧ к вольтметру. Увидите, что даже при небольших сигналах напряжение растёт.
Valery
неужели мы стали понимать друг друга ? )))
|
|
|
Дата: 18 Сен 2025 06:06:21
#
Хайо
Если ставить последовательный резистор, искажения почти исчезнут.
Да, станут значительно меньше, только кабель здесь ни при чëм. Причина не в том, что мы согласовали кабель на передающей стороне, а в изменении режима работы эмиттерника. Он станет посимметричнее. Мы это всë уже обсуждали с вами шесть лет назад в 2019. Вот нашëл в копилке свою картинку плохого эмиттерника
 Увеличить
Вот искажения синусоиды которые он даëт
 Увеличить
Что с кабелем, что без кабеля.
А вы продолжаете искать причину там где еë нет. |
|
|
Дата: 18 Сен 2025 10:20:52 · Поправил: vasya pelengator (18 Сен 2025 10:35:03)
#
Насколько я понимаю, правильный источник сигнала для 50-омной техники, например генератор для измерительных целей, имеет выходной каскад с минимальным выходным сопротивлением, далее через резистор 50 Ом сигнал выводится на разъём.
В этом случае и можно говорить о правильной работе или настройке тех же ФНЧ или ФВЧ при работе в 50-омной линии. Т.е. это тоже элементарная вещь, фильтр без всяких сопротивлений на входе видит источник сигнала 50 Ом и в данном случае происходит согласование. Только фильтр рассчитан должен быть правильно и проверен в реальности, а с проверкой могут быть сложности.
Но это вроде классика...
А ЭП без трансформатора в нагрузке никогда не применял в активных антеннах, ничего не могу сказать, просто не видел в этом смысла для своих целей.
Ну а вообще, ЭП с сопротивлением сотни Ом и тем более 1 кОм в нагрузке не будет являться правильным источником сигнала для 50-омного кабеля, хоть с последовательным резистором на выходе, хоть без него.
|
|
|
Дата: 18 Сен 2025 14:07:08
#
Mihaill
выше Вам указанные искажения - это последствие кривой логарифмической ВАХ транзистора. Добавьте просто конденсатор к эмиттеру с посадкой на массу. Также кабель, если частота сигнала достаточно низкая, чтобы не доходить до лям/4-режима.
Более наглядно станет при импульсном пробном сигнале деформация фронтов. При изменении амплитуды эффект меняется. При сигналах размахом до 10...20 мВ искажений почти нет. А на сотни мВ они приличны и емкостная нагрузка заметна.
можете заменить 1кОм резистор на источник тока и играть током покоя, он тоже повлияет и станет понятно, почему в некоторых минивипах решили загнать транзистор в сумасшедшие токи покоя. Током покоя нужно довести эмиттерный импеданс RE=0,026/Ie до малой доли сопротивления нагрузки. У транзистора 2N2222 это отлично сработает, это его сильная сторона, как и у КТ3108, КТ326Б, КТ368А - это всё при токах до 10...20 мА. Выше всё сложно сыграет комплексно.
Большой ток покоя существенно снизит эффект эмиттерного выпрямления при прямой стыковке к емкостной нагрузке (далеко от режима лям/4).
vasya pelengator
можно создать широкополосный генератор 50Ом от ЭП с большим током покоя и последовательным резистором 47...49 Ом. При этом есть остаточная опасность кривой работы (заметна в лабораторной практике при прецизионных измерениях) при большой амплитуде или емкостной нагрузки.
Куда более чистый способ - это выдача тока от коллектора в резистор 50 Ом. Там только емкость коллектора ограничит частотный диапазон и нужно выбрать транзистор с длинной линейной выходной ВАХ (горизонтальная её часть) или с хотя бы линейным наклоном (КТ610, 606, 939, 325, 355, 633, 941, 9141, 914).
С LC-фильтрами тоже есть свои проблемы при работе на фидере. Особенно классика-ФНЧ из ПИ-ячеек может подвести. Если он рассчитан на 50 Ом и на его выходе есть чистая 50 Ом - нагрузка и питается от через кабель из усилителя с ЭП, то нарушен широкополосный режим. Внутри полосы пропускания всё работает "по учебнику". А для частот выше ЭП видит избыточную емкость если кабель не особо длинный, а если заходит в режим около лям/4 происходят существенные трансформации и по активному сопротивлению и оп реактивам. Поэтому ФНЧ после ЭП нужно составить начиная с Г-звеном , чтобы сначала стояла последовательная индуктивность. Усилители с коллекторным выходом дружат с классическим LC-ФНЧ из ПИ-ячеек. Аналогично это есть для ПЧ , истоковый повторитель не грузить емкостной нагрузкой.
|
|
|
Дата: 20 Сен 2025 12:08:04
#
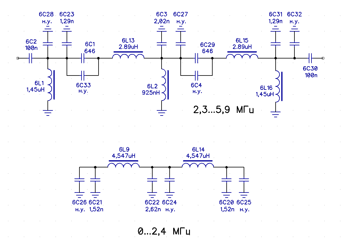
autosat
6L1 6L16 не 1,4 мкГн ?
Конечно мкГн, оЧеПятка. )
Фото фильтров, обсуждаемых ранее можно посмотреть в виде фото?
Какая модель приёмника и почему мне была отправлена схема с безумными номиналами индуктивности?
Ведь если приёмник промышленный, таких схем не будет. Если самодельный, то человек не может так ошибаться.
|
|
|
Дата: 21 Сен 2025 14:57:13 · Поправил: vasya pelengator (21 Сен 2025 14:57:59)
#
autosat
Ну и где тип приёмника и фото реальных фильтров?
В другой теме есть время писать демагогию второй день, а тут нет?
Раз ко мне были вопросы насчёт фильтров, потом, очевидно специально, с индуктивностями в 1000 раз меньше мне была отправлена схема, то жду ответ.
Или это был чистейший троллинг или глумление в этой теме.
|
|
|
Дата: 21 Сен 2025 15:25:04
#
мне была отправлена схема
Вам? Вы ничего не путаете?
|
|
|
Дата: 21 Сен 2025 15:35:00
#
с индуктивностями в 1000 раз меньше
Что вас не устраивает с индуктивностями?
 Увеличить |
|
|
Дата: 21 Сен 2025 15:48:03 · Поправил: vasya pelengator (21 Сен 2025 15:55:26)
#
autosat
Просьба на фото показать реальный фильтр 0...2,4 МГц реального приёмника. С индуктивностями в наногенри видел раньше. Откуда эта нерабочая схема?
Это я уже видел... Для чего мне повторно отправлять тоже самое? Трудно сделать фото?
Сложно назвать модель приёмника? Если самодельный, сложно показать всю схему?
Меня больше всего интересует схема фильтра с единицами наногенри отправленная мне. В программе на КВ такое рассчитать нельзя в здравом уме. В документации приёмника такого быть не могло, да тот фрагмент был програмного происхождения.
Повторяю: откуда был тот вариант и зачем он мне?
|
|
|
Дата: 21 Сен 2025 15:53:08 · Поправил: autosat (21 Сен 2025 16:01:59)
#
Откуда эта нерабочая схема?
Что конкретно нерабочего в этой схеме? Приёмник – SDR Micron.
Очевидно же – опечатка. Хайо просто сразу указал на это, и я исправил. Вы же, генерируете бесполезные сообщения.
Вы утверждаете, что схема выше не рабочая, аргументируйте.
|
|
|
Дата: 21 Сен 2025 15:58:29 · Поправил: vasya pelengator (21 Сен 2025 18:46:20)
#
autosat
 Увеличить
Что это мне лично было отправлено и откуда оно в таком виде взялось на 2,3...5,9 МГц?
Ответ в виде "оЧеПятки" не уместен.
P.S.: Как и ожидалось, ответа не будет. Возможно, просто глумление... или... но это уже не ко мне.
Как видно ниже - переворачивание вопроса, провокация в этой и соседней теме, нарушение правил форума. |
|
|
Дата: 21 Сен 2025 16:03:41 · Поправил: autosat (21 Сен 2025 16:04:38)
#
Прокомментируйте наконец эту схему:
 Увеличить |
|
|
Дата: 21 Сен 2025 16:16:56
#
Как и ожидалось, ответа не будет.
Я так и думал, ответить по сути вам нечего.
|
|
|
Дата: 21 Сен 2025 17:02:51
#
autosat
эти две схемы ПФ и ФНЧ не дружат с выходом ЭП. Это для коллекторного выхода антенного усилителя.
|
|
|
Дата: 26 Окт 2025 13:05:37 · Поправил: Quinta (26 Окт 2025 14:52:56)
#
Я тут подарил одному студенту клон rsp1a и насмотревшись как он пытается на антенны от роутера КВ ловить решил бахнуть самый надёжный вариант КВ антенны для стеснённых условий. Задача была сделать из того что валяется по коробкам за пару часов. И вышло неплохо, правда тут на схеме не нарисован конденсатор параллельно резистору в эмиттере, а то совсем печально было. Усиления хватает для поселка/города. Если ловить из полностью экранированного заземленного кунга посреди тайги наверно уже маловато будет. Сама рамка экранированная из коаксиала. Инжектор сделан так же тяп-ляп из usb удлинителя, корпуса от усилителя спутниковой па и термоклея.
По сути тут только усилитель посчитать нормально, чтобы давал побольше усиления и был согласован с кабелем, но там вроде кабеля не больше 5 метров будет, так что допустим ок для ловли нч.
Понравилось смотреть на экран программы сдр отдаляя рамку от стены на углепластиковой лыжной палке. Всего на метр отодвигаешь и шум падает дБ на 5 на сороковке.
 |
|
|
Дата: 24 Ноя 2025 08:15:01
#
Возникла идея сделать широкополосную (без кпе) рамку для дв с пассивным согласователем на частоту 130 - 500 кГц. Рамка должна быть подвижной чтобы можно было крутить зануляя помехи.
Пока видится конструкция из 3-5 витков на метровой основе. В качестве согласователя либо трансформатор на трубках по схеме намотки 1428, либо (поскольку широкополосность транса не нужна) просто классический повышающий транс на кольце 6000 с раздельными обмотками. Первичная обмотка витков 3-5, вторичная витков 30. Ваши идеи и мысли по конструкции?)
|
|
|
Дата: 24 Ноя 2025 11:35:43
#
Menjo
в жизни на самом деле всё проще.
Сделайте "на чем угодно" удобную Вам конструкцию той метровой рамки и измеряете её полный импеданс. Получаете активную часть и реактивную часть в той области частот, которая Вам интересна. Согласовать активную часть на входной (активный) импеданс приёмника. Проще всего трансформатором, расчёт по классике жанра. Что с реактивной частью сделать - решите оперативно. Бывает, что ничего не нужно сделать. В идеале поставить конденсатор, который по середине диапазона нейтрализует индуктивность. И если соотношение индуктивности к импедансу удачно, тогда добротность LC-контура ближе к 1...2 и нет остро выраженной селективности.
Суть такого подхода в том, что сам факт создания рамки - это уже зацепка в Н-поле. Малая рамка при этом (хоть из золота или ртути))) имеет "никакой" КПД при извлечении энергии из поля. То есть, действие остаточное. Но это допустимо, потому что Кш современных усилителей можно сделать на порядки ниже Кш атмосферы на СДВ...СВ. Но при этом нужно озаботится о Кш стыковки рамки с усилителем. И лучший способ не промахнуться - это согласование по мощности от рамки к усилителю. В большинстве случаев это и близко к оптимальному согласованию по минимальному Кш.
Можно даже без трансформатора получать результат, если к измеренному импедансу рамки подобрать усилитель со встречным импедансом.
|
|
|
Дата: 24 Ноя 2025 12:22:29 · Поправил: AOR (24 Ноя 2025 12:22:53)
#
Я делал с трансформатором, вполне норм, Бывает, что ничего не нужно сделать да, либо там доп. согласование уже "ловля блох". Много витков не делайте.
|
|
|
Дата: 24 Ноя 2025 14:05:52
#
На самом деле интересуют частоты 136 и 475 кГц, все это подключается в режиме граббера на мониторинг.
Если вводить конденсатор, то получается классический контур с резонансом. Но резонанс один. А можно ли сделать на 1 рамке- катушке два резонанса? Может бывают такие цепочки компонентов которые "компенсируют индуктивность" сразу на 2х частотах?
Другой вариант тут пришел на ум, это намотать на 1 оправке 2 рамки-катушки и припаять 2 конденсатора. Получится 2 антенны, со своим резонансами на нужных частотах. Дальше будут не трансформаторы а 2 петли связи.
Тогда возникает вопрос, как оптимально сложить сигналы от таких рамок с наменьшими потерями согласования с коаксиальным кабелем? Схема напоминаю предполагается пассивная, без активных усилителей на рамке...
|
|
|
Дата: 24 Ноя 2025 14:32:40
#
Menjo
можно сделать двухрезонансную рамку.
Это две рамки на расстояние 10...20см и много витков, чтобы получать хотя бы сотни мкГн. Выше рекомендация AOR
правильная для широкополосных рамок. Приведите каждую рамку в свой резонанс и каждая рамка получает свою небольшую обмотку связи (1/10 по виткам от большой обмотки). Эти две обмотки подцепить последовательно и вывести на УВЧ со среднем импедансом , типа сотни Ом, это схема ОЭ хорошо даст или ОУ AD8099 тоже.
Резонаннсная рамка в условиях города убирает большие пики от широкополосных импульсных помех и не забивает кодовое пространство слабой 8бит-АЦП пустым хламом. На эффективность извлечения энергии из Н-поля резонанс или не-резонанс практически не повлияет, если усилители подобрать правильные под эти рамки соответственно.
|
|
|
Дата: 24 Ноя 2025 16:42:37
#
Хайо
Для леса, поля... наверное правильно.
А в городе, на обмотку связи различные импульсные помехи не будут приниматься? Напугаются её габаритов для ДВ... и пролетят мимо.
|
|
|
Дата: 24 Ноя 2025 17:29:15
#
vasya pelengator
можно не обмотку связи , а от отвода низкоомного. Будет чище, да. И их соединить последовательно.
|
|
|
Дата: 24 Ноя 2025 17:54:06
#
Хайо
Многовитковая рамка в резонансе всетаки повышает отдачу энергии в кабель, это свойство прежде всего интересно, поскольку требования к чувствительности приемника снижаются при пассивной схеме.
Может сделать ещё проще. Одна классическая изолированная петля связи посередине, а слева и справа от нее резонансные обмотки рамок с конденсаторами. Получаются 2 искомых горба резонанса наведенные на петлю связи.
|
|
|
Дата: 24 Ноя 2025 18:31:26
#
Menjo
Две одинаковые антенные катушки с параллельным соединением для 475 кГц и последовательным для 136 кГц. С коммутацией соответствующих емкостей. Сама коммутация тумблер, реле с дистанционным переключением... Классика вообщем.
|
|
|
Дата: 24 Ноя 2025 18:52:53 · Поправил: Хайо (24 Ноя 2025 18:54:45)
#
Menjo
чтобы сработал трюк по резонансу не только по передаче энергии, а ещё по подавлению побочных, нужна плотная связь между обмоткой связи и контурной обмотки. Поэтому вариант с отводами как раз лучше и в тему, либо выше указанный вариант прямой коммутации. Но Вы же хотели обе частоты параллельно мониторить, поэтому классика с тумблером никак не подходит.
Общая обмотка связи между рамками может дать достаточный коэффициент передачи (а может и нет) , но точно не даст хорошего подавления побочных спектров из-за слабой связи на частотах вне резонанса.
|
|
|
Дата: 24 Ноя 2025 20:53:06
#
Quinta
Классная схема только трансформатор неправильный.
Нельзя рамку грузить несимметричным трансом.Отвода от середины
первичной обмотки не хватает и емкости 3 000 пФ. емкость позволит
увеличить сигнал на 2 бала, что будет эквивалентно увеличению мощьности
передатчика в 10 раз.
Самая простая рамка от приемника Ч7-13 перетягивается на
желаемые частоты уменьшением двух конденсаторов.
|
|
|
Дата: 25 Ноя 2025 16:42:08
#
Изготовил как-то две вот такие рамки, одна рамка захватывает участок частот от 150 кГц до 800 кГц, другая рамка начинает свой "путь приема" от 530 до 1700 кГц. С приемником они связываются по индуктивной связи, Рамка-внутренняя ферритовая антенна, так же для непосредственного подключения антенны к РПУ использую вот такое изделие от фирмы Sony, внутри данного изделия обычный ферритовый стержень с катушкой, в принципе тоже индуктивная связь, но для тех РПУ у которых нет своей магнитной антенны. Рамки данные работают очень хорошо, с данными антеннами усиление принимаемого сигнала увеличивается в 2-3 раза, если сравнивать с моей самодельной ферритовой антенной, то усиление где-то раза в два, как бы не больше относительно самодельного "феррита" Все вот не дает покоя оптимальная петля связи, для подключения к приемнику, в принципе вариант с изделием от Sony работает хорошо, но хочется лучше.
 Увеличить
 Увеличить
 Увеличить
 Увеличить |