| Автор |
Сообщение |
|
|
Дата: 10 Дек 2023 13:36:46 · Поправил: Simon (10 Дек 2023 16:23:00)
#
Довольно редкий приёмник Рига-101
Экспортный вариант Rigonda Marksman Audio/
[Видео YouTube - нажмите для просмотра]
Вариант стереофонический и это его плюс.
Но есть один жирный минус.
Акустика, ещё более менее 4ГД-5(младший брат 6ГД-2) и пищалка 1ГД-3.
Даже объём системы достаточный...
Но выходная мощность аппарата подкачала.
Номинальная мощность каждого канала 3,5Вт, при КНИ 5%.
И это при П213 на выходе, и уровне питания -22В..!??
Следующая серия была Рига-102.
Причём ,эта версия (с внутренним динамиком)в серию не пошла.
Была версия с выносным.
[Видео YouTube - нажмите для просмотра]
По схемотехнике, это последующая переносная Рига 103.
Но что более любопытно, дальнейшее развитие стационарный вариант, не получил.
На его базе, в начале 70-х,в Челябинске был разработан и запущен в серию , рп Мезон 201(202).
Зато уже имел батарею автономного питания на борту(6 шт).
И как вершина серии была 211 модель...
Хотя по своей сути, это был всё тот же Мезон 202. |
|
|
Дата: 10 Дек 2023 20:44:45
#
Simon
а какой там был стереодекодер, раз надписи на панели "экспортные" ?
|
|
|
Дата: 10 Дек 2023 21:24:12
#
Хайо
На Rigonda Marksman Audio ,нет схем в сети.
По крайней мере, я не нашёл.
А нашей (Рига-101) ,стандартный стереодекодер под 31,25 КГц.
 |
|
|
Дата: 12 Дек 2023 13:00:28 · Поправил: Simon (12 Дек 2023 13:05:01)
#
Любопытный аппаратец нашёлся на сайте В.Харченко.
Под предполагаемым названием " Минск".
Видно что экспериментальный образец, собранный, в основном, из блоков Океан 286
Внутрянка,почти самодел, прикольный механизм поворота МА.
Блоки тоже в разброс с пометками на разъёмах.
На заднюю панель выведены разъёмы антенн и резисторы ФН УКВ.
Очевидно планировался стационарный приёмник,на базе переносного...
Стоило ли оно того, брать 2 класс...!??
Никакой инфы про этот аппарат ,не нашёл в сети...наверное,так и остался в проекте...
Взято тут: http://www.rw6ase.narod.ru/index1/radiopriem/rp_ps/minsk_stac.html |
|
|
Дата: 12 Дек 2023 17:13:53
#
интересная обмотка МА...
|
|
|
Дата: 12 Дек 2023 17:23:48
#
По мотивам старых ламповых приемников
|
|
|
Дата: 12 Дек 2023 17:39:53
#
Хайо
интересная обмотка МА
Да, я тоже обратил внимание.
Вначале подумал КВ...но ведь приёмник всеволновый(ДВ/СВ/КВ).
Кстати... в Океане 286, точно такая же.
 |
|
|
Дата: 12 Дек 2023 22:45:47
#
в Океане 286, точно такая же.
схема есть под рукой?
|
|
|
Дата: 13 Дек 2023 00:18:23
#
в Океане 286, точно такая же.
как и в Верас/Океан рп-225. схема
Там неперестраиваемая фа с усилителем об. |
|
|
Дата: 13 Дек 2023 10:05:17 · Поправил: Simon (13 Дек 2023 13:04:18)
#
Нашёл ещё пару особенностей в построении схем в Верас РП225.
Касаемо УНЧ.
Так резистор R93,является суммарной коллекторной нагрузкой пред УНЧ АМ и ЧМ каналов.
Непонятно спаривание выходных электролитов С24,С42(470мкФ)...
Сначала думал , не было 100омкФ , но тут же стоит С40, этого же номинала.
Схему почему то рисовали не по Госту, Вход слева ,Выход -справа. |
|
|
Дата: 13 Дек 2023 11:10:20
#
Simon
наверно 2 в параллель только дали низкий ESR на высоких аудиочастотах или этим ушли от некоторого резонанса с динамиком.
в некоторых версиях УМЗЧ 209ого тоже общий резистор работает на предусилителе.
andory
спасибо, транзистор у МА работает током около 50 мкА что образует у него входной импеданс около 600 Ом. Следовательно МА имеет добротность около 3..4 на высоких СВ , полос -3дБ около 400...500 кГц. На низких СВ и на ДВ добротность "отсутствует" и имеем полную широкополосность.
Интересное решение телескопу - там просто ОБ работает широкополосно. Если нет мощного УКВ-эфира, и нет УКВ-СВЧ-радиоцентров, то сработает. Но в городе никакого АМ-приёма быть не может, так как первый транзистор просто насмерть задавлен.
Интересное включение ПКФ у 174ХА2. По напряжению сигнала от выхода смесителя к входу УПЧ рекомендуется организовать перепад по напряжению на 18 дБ (даташит). Это грамотно было осущствлено слабой связью ПКФ к контурам (КПЕ 8-30). С ними можно очень эффективно скорректировать кривую АЧХ от ПКФ до идеальной формы. А если попадает идеально сделаны ПКФ, можно улучшать его скаты. Однако, АРУ от этого теряет по С/Ш на аудиовыходе.
Ещё интересно применение КД409 в АМ-демодуляторе и смещение на 0,4В на R91 к диоду. Для слабых сигналов это наверно хорошо работает, но это не обеспечит обработку мощных сигналов. Загнётся АРУ и сильно растут искажения.
|
|
|
Дата: 13 Дек 2023 11:17:46
#
Нашёл ещё пару особенностей в построении схем в Океане РП225
Всё таки правильнее Верас РП-225 и Океан РП-222.
Там не только это, и ещё особенности можно найти:) Вервс РП-225 |
|
|
Дата: 13 Дек 2023 13:05:13
#
UA0OAG
Всё таки правильнее Верас РП-225
Исправил...
|
|
|
Дата: 16 Дек 2023 12:22:09 · Поправил: Simon (16 Дек 2023 12:50:35)
#
Специализированный под Военных политруков радиоприёмник "Интеграл".
Некоторые особенности конструкции и схемотехники.
Сам аппарат выпускался днепропетровским радиозаводом с начала 80-х.
Хотя по декоративной сетке динамика, похоже на ВЭФ-овские изделия.
Аппарат ,довольно внушительный ,с обилием кнопок, крутилок,жгутов и военных разъёмов.
Имеем две раздельные шкалы настроек:
Вот только непонятно,почему только УКВ диапазон...!??
В той же Любаве-С, предназначенная для судоходства, имеет два диапазона(УКВ-FM).
Ну да ладно ,вернёмся к Интегралу.
Приёмник имеет систему изменения в 3 полосы(В АМ) и систему АПЧ(правда только УКВ и КВ).
По идее акустика Интеграла должна быть неплохой, при большом объёме корпуса и применённых 2ГД-40.
Но в оригинале ,я такого не услышал. Не хуже и не лучше Океанов.
Также аппарат имеет ,две МА.
На задней панели разъёмы для подключения внешней акустики и антенн.
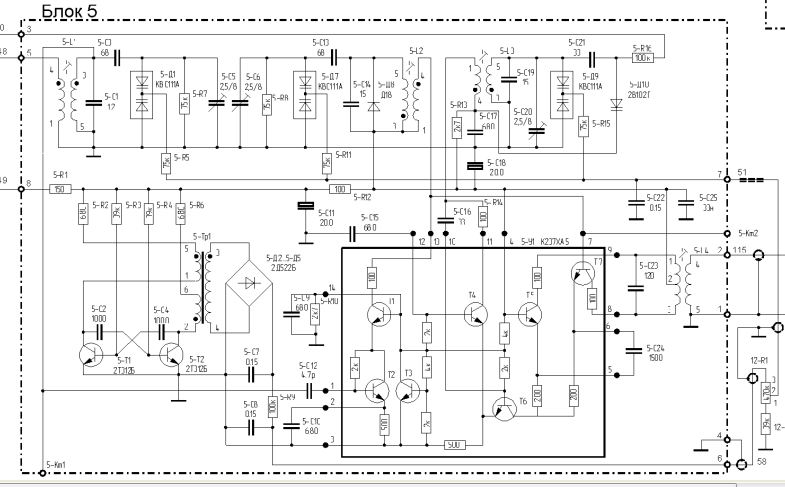
Ну и немного схемотехники....
Блок УКВ ,на К237ХА5...
Кстати ,тут же в его корпусе собран преобразователь напряжения.
На Входе внешних антенн имеем ограничитель ...
Интегрального исполнения и смеситель АМ канала:
Схема ПЧ АМ и АПЧ...
Схема УНЧ, очень напоминает Ленинград 002(006).
Сам приёмник Интеграл, и сегодня найти несложно ...на Авито есть предложения от 8000-18000р.
Ролик о работе приёмника на СВ.
[Видео YouTube - нажмите для просмотра] |
|
|
Дата: 16 Дек 2023 16:16:36
#
Simon
долго ходил с планами по Итнегралу, пока не повезло его крутить, вроде хорошо сохранённый приёмник был.
В итоге топорное исполнение, не особая акустика, приём так себе нормальный. Схемотехника ничего особенного выдаст, на ровном месте выделывались усложнениями.
Если подумать ,что это практически военный приёмник, то в целом он слаб и сложный. Да ещё кнопочно переключать диапазоны.
В итоге я не решился на такую авантюру.
Если мне правильно вспомнится, то была и друга схема в Интеграле и срисована вручную по ГОСТу
|
|
|
Дата: 16 Дек 2023 16:19:44 · Поправил: Simon (16 Дек 2023 16:23:34)
#
Хайо
Да приёмник,так себе...хотя задумка,как всегда, неплохая.
Звук мне тоже не понравился...
Ту ,что я привёл схему,это скорее первых вариантов.
Взята на этом ресурсе в файлах.
В сети видел фото разобранного приёмника, где в УНЧ ,стояла К174УН7 с радиатором.
|
|
|
Дата: 16 Дек 2023 20:41:03 · Поправил: Shuare (16 Дек 2023 20:41:30)
#
Интеграл - не совсем военный приемник.
Это так называемый "приемник замполита" - такой же, как Маяк-2, МП64 Синичка итд. Соответственно, и требования не такие жесткие
|
|
|
Дата: 16 Дек 2023 21:58:21 · Поправил: AOR (16 Дек 2023 21:59:49)
#
Схемотехника ничего особенного выдаст, на ровном месте выделывались усложнениями.
Это очень часто сделано в ссср-аппаратуре и часто избыточно. Полно деталей лишних, а толку мало, режимы все равно либо не оптимальны либо не обеспечивается работа во всем диапазоне температур и напряжений, хотя ради этого усложнение было сделано. Берешь, к примеру, филипс, схемотехника проще, деталей меньше, работает лучше при том же количестве каскадов. И это я не раз замечал. Видимо и качество комплектующих и их разброс настолько ужасен и сказывается то, что люди разрабатывающие схемы не особенно заботились об обратной связи, а как это все в итоге работает.
|
|
|
Дата: 24 Дек 2023 10:55:34 · Поправил: Simon (24 Дек 2023 11:37:39)
#
Рига -103,необычный вариант приёмника.
Вот интересно ,почему не пошёл в серию вариант с барабанным переключателем диапазонов.
Хотя представлен народу был(в виде рекламного плаката).
Думаю,это был бы хороший приёмник,лучше (или продолжатель) Океановских традиций.
Но уже с переходом в первый класс.
Последующий вариант Риги(как приёмника), был также с кнопками.
Даже в последующей модели( варианте с магнитофонной панелью),от барабана отказались.
Отыскать ,хоть какую то информацию о 103-й модели с барабаном,кроме одного фото, мне не удалось.
Закончилась веха первоклассной Риги, на малосерийной Рига 120В-Стерео.
Имеющей на борту аналоговый саунд процессор, для прослушивания бинауральных программ.
Схема саунд процессора на примере "Казахстан-101"
Видео об аппарате Рига 120В-стерео;
[Видео YouTube - нажмите для просмотра] |
|
|
Дата: 26 Дек 2023 14:00:02
#
|
|
|
Дата: 27 Дек 2023 13:44:21
#
Хайо
Так если б ,только ручка...
Металлизация вся по облезла,особенно убили кнопки сброса счётчика и выброса кассеты.
Их видно вообще не собирались делать в цвет корпуса.
 |
|
|
Дата: 27 Дек 2023 14:37:13
#
Simon
по правилам маркетинга хорошо бы иметь отличия от конкурента. Вот нашли чем отличиться от Грюндиг)))
Приёмник 1ого класса там какие инженерные полёты выдал?
|
|
|
Дата: 27 Дек 2023 17:18:12 · Поправил: Simon (27 Дек 2023 17:18:40)
#
Хайо
там какие инженерные полёты
Схемы нет в сети...по крайней мере ,я не нашёл.
Самому хотелось бы глянуть.
|
|
|
Дата: 27 Дек 2023 19:27:21
#
Simon
Есть немного:
см. Радио 1984 № 6
Еще на сайте Харченко есть.
|
|
|
Дата: 27 Дек 2023 21:07:12
#
nikifor_r
Радио 1984 № 6
Точно, есть радиоканал...давно листал и забыл про это уже.
Блок УКВ
УПЧ ЧМ
Радиоканал АМ
УПЧ АМ
 |
|
|
Дата: 31 Дек 2023 20:02:55 · Поправил: Simon (01 Янв 2024 12:01:45)
#
|
|
|
Дата: 06 Янв 2024 00:40:04
#
При уборке в моих немецких запасах всплыл комплект советских ЭМФ на 500 кГц, цилиндры на 6....9 резонаторов. В своё время набрал хороший комплект для приёмника. Вот так это лежало без дел 40 лет у меня, они все выпуском 1980года.
Я тогда от них отказался, когда мне попали на тестирование очевидно двухклассные экземпляры и решил делат ьвсё на кварцфильтрах на 9 МГц.
Брал ради интереса фильтр ФЭМ-500-3Н. Он оказался вовсе приличным фильтром. Затухание между клеммами всего 8 дБ при идеальном включении. Ровная вершина на 2,8 кГц и -6 дБ при полосе 3,0 кГц. Вся полоса идёт от 496,7 до 499,7 кГц и сами 500 кГц подавлены на 26 дБ. Отличный результат. Такое же нашёл с фильтром -3В зеркально к 500 кГц.
Самое удивительное - волны на вершине АЧХ всего 2 дБ, когда в даташите пишут некоторый ужас до 10 дБ, который я 40 лет назад и нашёл, видимо, тогда не хватало опыта выправить АЧХ))).
Фильтр при нагрузке 75 кОм имеет лучшую АЧХ. Если в лаборатории это можно устроить и так это и получается лучшим результатом, то на практике это хрен сделать в реальных схемах. На выходе фильтра да, ставим полевой транзистор или лампу и резистор 75 кОм. А как при 75 кОм втолкнуть с хорошим КПД и при хорошей линейности и большим динамическим диапазоном сигнал в фильтр - очень сложно.
Нашёл неплохой вариант для применения таких SSB-фильтров вместе с К174ХА2 с согласованием на 3 кОм. К УПЧ (вывод 12) делать емкостной делитель 82пФ(КПЕ)/390пФ что правильно согласует Rin от УПЧ к ЭМФ. К такому же делителю у входа фильтра подаётся сигнал импедансом 3 кОм, что очень удобно. Между отводами емкостных делителей имеется Кпер по напряжению = -12 дБ. Для К174ХА2 это как раз правильно. Делать на его выводах смесителя симметричный контур и обмотку связи - всё по соотношению 1:1:1 , каждую обмотку на 180мкГн, у каждого вывода смесителя по 330пФ к GND и между выводами смесителя 12...18 кОм резистор. Тогда обмотка связи на 500 кГц предоставит к ЭМФ импеданс 3 кОм и каждый выход смеситель в отдельности нагружен оптимально на 6 кОм.
При двухтональном сигнале на выходных клеммах ЭМФ на 800мВ размах (2В у входных клеммах) имеется интермодуляция -40дБ. Это неплохой показатель. В схеме согласования на 3 кОм для К174ХА2 такой режим даст 100 мВ размах к УПЧ, что у него вызывает IM около -46...-50 дБ. На входном емкостном делителе при этом имеется 400 мВ размах , чем смеситель не перегружен. В целом С/Ш будет хороший и вечная болезнь таких приёмников - плохой С/Ш вылечена.
Удачи при доработке запыленных приёмников!
|
|
|
Дата: 11 Янв 2024 15:09:50
#
Хайо, а 6-ти выводные прямоугольные ЭМФы не пробовали согласовывать?
|
|
|
Дата: 11 Янв 2024 21:07:07
#
UA0OAG
этот раз нет, лет 30 назад пробовал полосой 6 кГц, АЧХ была нормальная и затухание тоже не страшная. ПО интермодуляции не мерил тогда конечно. Сейчас у меня нет такого кирпича под рукой, но думаю, что на чисто транзисторные схемы тянет полной динамикой. Ещё у них импеданс уже не ламповая, там отводы дают как раз удобно где то 1 кОм к простому УПЧ. Это наверно самое важное, чего не хватало "трубам".
Это эти мини-фильтры серии НАДЕЖДА страшные по интермодуляции. С ними лучше не связаться в хороших проектах.
|
|
|
Дата: 12 Янв 2024 07:46:49
#
Мини ЭМФ на 400 кГц (ровно 400, не 465, но похожий на Надежду) стоял в приёмнике речной АМ радиостанции Линда-М.
|