| Автор |
Сообщение |
|
|
Дата: 19 Дек 2018 11:51:21
#
Предлагаю сравнить эти две легенды, немецкую и японскую.
Какие преимущества у одного и у другого, какой приемник вам больше нравится, какой бы предпочли?
|
|
|
Дата: 19 Дек 2018 11:55:54
#
Имхо satellit как приемник лучше, как легенда - индивидуально.
|
|
|
Дата: 19 Дек 2018 12:41:55
#
А мне больше Sony нравится и по приему и по некоторым техническим особенностям.
|
|
|
Дата: 19 Дек 2018 13:18:33
#
У "сателлита" на входе не ФНЧ, и даже не диапазонные фильтры, а такое непопулярное решение как узкополосные фильтры на варикапах. Это подрезает динамику внутри ПП, но она не хуже остальных мыльниц. Да и вряд-ли "сателлит 700" для очных соревнований по радиоспорту :) . А вот за пределами полосы(которая в сотни килогерц, это же даже не диапазонный фильтр) мешающие сигналы(и речь не о зеркальном) подавляются минимум на 20-30 dB, а это очень немало. Дибилизм сателлита это предусилитель на MOSFETе. Либо его никогда не включать (а там чутья более чем), либо не касаться антенны(а это вряд-ли), либо заземлить ногу и носить хлопчатобумажную одежду :)... Ну или найти неонку на вольт 30 и впаять :)))) Но он очень ремонтороигоден. Отличный монтаж. Ламочки легко меняются на диоды. USB/LSB. Малый шаг перестройки, а не убожество с 1 kHz (это я не о sony icf 2010 а о менее солидных представителях). Опупенно много каналов памяти, тем более их можно "добавить". Очень удобная тастатура и управление вообще. Хороший (и не "наушничьий" и не дорогой и труднопаяемый) разъем внешней антенны. Отличный звук. Как по мне - для SSB, CW, RTTY "отслеживания" лучшего приемника не найти.
По sony icf 2010 ничего сказать не могу. Сателлита у меня тоже никогда не было (это "влажная мечта" моего детства. когда в 90-х случайно попался проспект с этим приемником) но брал поиграЦЦо, очень "завидный" приемник.
|
|
|
Дата: 19 Дек 2018 13:29:46
#
е больше Sony нравится и по приему
Эта сонька, кстати, "слила" в сухую соревнование по приему с доработанным океан-214, в том числе по приема на ФА. Чему там восхищаться не знаю, надо фанатеть от этой модели.
|
|
|
Дата: 19 Дек 2018 13:34:08
#
Ключевое слово с доработанным океан-214))
|
|
|
Дата: 19 Дек 2018 13:42:37
#
При желании любую мыльницу можно прокачать)))
А здесь уже готовый приемник который дорабатывать не нужно
Есть отзывы по Сони от опытных американских радиолюбителей а не просто слушателей
https://www.eham.net/reviews/detail/479
обратите внимание на общий рейтинг 2010. |
|
|
Дата: 19 Дек 2018 14:45:18 · Поправил: AOR (19 Дек 2018 14:46:59)
#
Ключевое слово с доработанным океан-214))
Естественно, оригинальный то мало на что годится. Но весь прикол в том, что satellit 2100 не уступил по приему нигде. А расхваленная sony была неина высоте. Насчет модели satellit 700 не буду утверждать, но судя по схемотехнике должно быть не хуже обсуждаемой sony, а скорее всего заметно лучше по приему. Общий рейтинг у 2010 высокий, но рекомендую ознакомится самостоятельно, никаких чудес там нету, просто добротный приемник, но не впечатляющий.
|
|
|
Дата: 19 Дек 2018 15:43:21
#
Мне лично доводилось читать на форуме что Грюндик 700 превосходит Сони 2010 на дв и св. Так ли это?
|
|
|
Дата: 19 Дек 2018 16:55:13
#
как легенда - индивидуально
Вот тут верно. Мой субъективный взгляд за Грюндиг. Как минимум - у него приличный внешний вид, удобные органы управления и дисплей. Сони в этом плане - ближе к китайским аляповатым мыльницам :)
|
|
|
Дата: 19 Дек 2018 16:55:26 · Поправил: AOR (19 Дек 2018 16:56:19)
#
что Грюндик 700 превосходит Сони 2010 на дв и св. Так ли это?
Запросто. Не потому что грюндиг такой замечательный, а имхо потому что sony на ДВ-СВ вполне заурядно работает. Неплохо, но заурядно.
|
|
|
Дата: 19 Дек 2018 20:41:33
#
Заурядно по сравнению с Деген 1103?
|
|
|
Дата: 27 Дек 2018 01:43:10
#
Вообщем легендарные приемники уже никому не интересны.....жаль(
|
|
|
Дата: 27 Дек 2018 08:08:50
#
Слушаю Sony 2010два года, до этого были Icom R -75,Kenwood-R5000. Сейчас остались Icom R-8600, Sony icf Pro-80 и Sony 2010. Слушаю Sony, причём, если на даче иду по полю- то Pro-80, когда дома или отдыхаю- 2010. Чем привлекает 2010: очень продуманы органы управления, нет ничего выступающего, звук на высоте. Не даром раньше он был частым атрибутом у яхтсменов, были Tessun 2000, Panaconik, можно сейчас отдать предпочтение и XHDA808, но это лотерея- то глючит, то доработки, а когда слушать?!
|
|
|
Дата: 27 Дек 2018 14:28:19
#
Я бы брал Грюдиг (разумеется только 500 или 700 а не эти современные "эмуляции"). Я люблю широкополосные антенны (а-ля Надененко) и наличие связанного с основной ручкой настройки переселектора(посути обычных узкополосных фильтров на основе двойных КК, на варикапах) очень упрощает жизнь. Это чуть ли не единственные приемники на рынке(хоть и на вторичном) у которых есть подобная фишка.
|
|
|
Дата: 27 Дек 2018 14:56:54 · Поправил: AOR (27 Дек 2018 14:57:29)
#
Имея более старую модель грюндига (satellit 2100), кстати, я был приятно удивлен его возможностями. Чего только стоит несколько входов, настройка антенны и т.п. Ну и принимает он очень достойно.
|
|
|
Дата: 27 Дек 2018 21:15:31
#
Лично у меня был Сателлит 500 друг дал на время, сравнивал его с Сони 2010
Сонька не уступала по чуйке на дв-св а по кв была лучше.(синхродектор Сони это сила)
Звук конечно у 500-го лучше, без вариантов+фм тоже значительно лучше.
Такие мои скромные выводы.
|
|
|
Дата: 27 Дек 2018 21:17:42
#
Хотелось бы услышать мнение компетентных товарищей о 700 Сателлите.
|
|
|
Дата: 19 Янв 2019 01:32:58
#
Так особо никто и не написал ничего о двух лучших приемниках от Легенадарных Фирм...
|
|
|
Дата: 20 Янв 2019 18:53:57
#
Был у меня Grundig satellit 500 хорошие воспоминания о нем , продал , цена ему была в 2013 250$ . Рейтинг мой почитайте под ником vovan 777. Купил Kenwood ts 440
|
|
|
Дата: 25 Янв 2019 21:40:15 · Поправил: Краснофлотец (25 Янв 2019 21:41:46)
#
Вот перевод иностранца и отзыв - много лет пользовался этим SONY ICF 2010 - 2001D
Я владел этим радио, европейской версией 2001D, и интенсивно использовал его с 1992 года, и мне настолько нравится эта конкретная модель радио SONY, что в прошлом месяце я купил вторую на Австрии на eBay. Я в основном использовал свой SONY ICF-2001D для трансляции новостей и художественных программ, развлечения экзотической музыки и умеренных приложений для цифрового декодирования для новостных сценариев в RTTY от Агентства новостей Синьхуа и KCNA (КНДР), новостей HF Fax из Kyodo и различных погодных условий. карты, использующие мой декодер AEA Fax III, особенно в годы, предшествовавшие Интернету, и многие годы, когда Интернет испытывал свои "проблемы с ростом" в Китае.
Для серьезного прослушивания радио нет никакой параллели с SONY ICF-2001D из-за его чрезвычайно похвальной комбинации чувствительности, селективности, лучше, чем средний динамический диапазон плюс легендарный синхронный детектор, который делает неуклюжий звук ECSS (Exalted Carrier Selectable Sideband) одним касанием , Синхронный детектор на SONY ICF-2001D включается мгновенно благодаря своему 1-битному процессору (Rainer Lichte), позволяющему радиостанции плотно фиксировать сигнал на USB или LSB, часто вдали от помех на соседней частоте и почти всегда во всем Вездесущая передача исчезает. В результате прием значительно улучшился, с гораздо меньшим количеством QRM и искажением звука - для аудитории, вот в чем разница - SONY ICF-2001D звучит так хорошо при записи или при подаче через внешний динамик, что я закончил запись на моем видеомагнитофоне Panasonic HD100 VHS, много часов работы Happy Station и Media Network of Radio Нидерланды. Только Sherwood Synchrous Dectior III работают одинаково хорошо или лучше, чем SONY ICF-2001D в отделе синхронного обнаружения.
SONY ICF-2001D настраивает и отображает с частотой 100 Гц, что делает его нежелательным для критического декодирования CW / RTTY-декодирования сложных передач. К счастью, настройка и отображение оказались очень хорошо отцентрированными, лишь незначительно подверженными резким изменениям температуры.
SONY ICF-2001D в непрерывном производстве в течение двух десятилетий и около тридцати лет в 2015 году, фактически, зарекомендовал себя как бестселлер и классик традиционного радио.
Если вы один из нас, держите пари, что получите (купите) SONY ICF-2001D / 2010, когда вы все еще можете его найти.
|
|
|
Дата: 26 Янв 2019 10:11:13
#
gladiator
Слушаю Sony 2010два года, до этого были Icom R -75,Kenwood-R5000. Сейчас остались Icom R-8600, Sony icf Pro-80 и Sony 2010.
Какие антенны при этом используете?
|
|
|
Дата: 26 Янв 2019 19:59:27
#
Заурядно по сравнению с Деген 1103?
заурядно по сравнению с "Альпинистом -418".
Вы будете смеятся, но это так .
А по сравнению с "Рига-103" или 104 ( тем более ).
В общем, он только на КВ показывает отличные результаты.
|
|
|
Дата: 26 Янв 2019 20:03:14
#
van. В основном телескоп, когда в Москве, на балконе ставлю AORSA7000, Icom r8600 второй год лежит в шкафу, зря покупал, сложно разобраться, годы! На даче провод метров 10, хочу этим летом сообразить получше, но одному тяжело.
|
|
|
Дата: 26 Янв 2019 20:07:11 · Поправил: Boris (26 Янв 2019 20:08:13)
#
Тяжеловатый приёмник для походов.
Я ,когда в горы иду, то беру Деген и Штабо 2001, они вместе по весу намного меньше весят.
Дома, как стационарный, тоже не годится.
Большие помехи, лучше уж с Kenwood R-5000, я к нему соорудил несколько преселекторов-только это и спасает.
В общем, чемодан без ручки.
|
|
|
Дата: 27 Янв 2019 10:11:41
#
Boris. Согласен! Тяжеловат, но у меня здесь нет гор и, к сожалению, не предвидится! Когда я гуляю по полю( 400м от дачи ), пользуюсь Sony icf Pro-80, слышно всё и не тяжело!
|
|
|
Дата: 15 Фев 2019 17:04:17
#
Sony это специфичный приемник. Действительно для походов великоват(если не на авто), а для домашнего использования маловат. В нем очень здорово подобран звук, заслуга УНЧ или динамика не знаю, но очень четко разбираются слабые сигналы т. е. это аппарат как связной. Но комфортно, с большим НЧ диапазоном, слушать вещалки на Sony невозможно. Для этой цели люблю использовать аналоговые аппараты: Grundig prima boy, Silver и даже немного доведенный VEF Spidola 232. Цифровой Siemens RK651 также более качественно воспроизводит музыку с эфира.
|
|
|
Дата: 20 Сен 2025 19:25:41
#
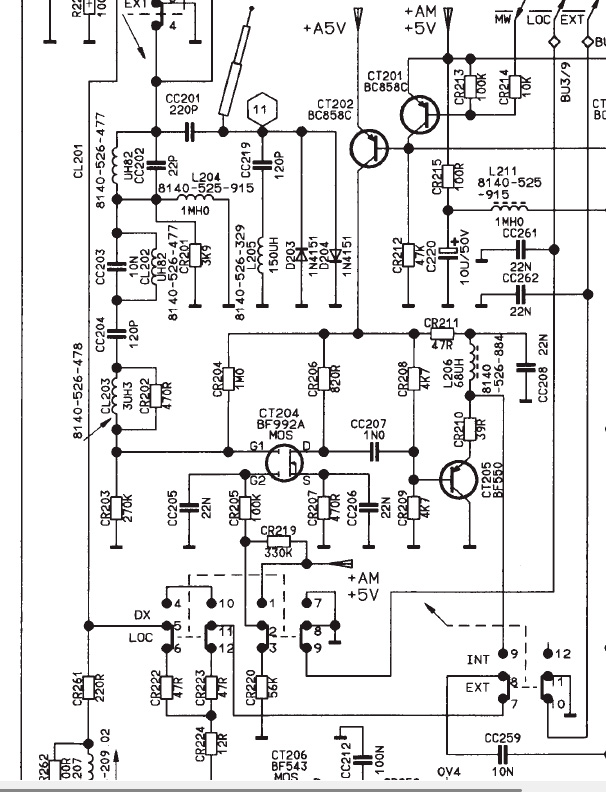
В Grundig Satellit 700 применяется такая схема УВЧ:
 Увеличить
В чём преимущества/недостатки такого решения по сравнению с Sony ICF-2010? |
|
|
Дата: 20 Сен 2025 22:26:50
#
в первую очередь мало шумит, IM3 мало, IM2 дофига, так как транзистор работает в начальной части ВАХ при малом токе. Большие антенны не его. Да на входе 2 диода давно забраковали в современных условиях. Я бы перевёл входной транзистор в правильный режим и переключателем сделал бы железный аттенюатор. Но это получается только, если переключатель рядом с УВЧ. Самый простой способ, к стоку делать подключаемо нагрузку 33...100 Ом через 100нФ. Это самый линейный способ, если транзистор изначально вывести на линейный режим.
Ещё подвели смещение к первому затвору неправильно, прямо от делителя. Это портит малый шум от схемы ОИ. Вообще непонятно, почему исток не посадили напрямую на массу. Питание всего 5В и разбазарить напряжение на резисторе - это не целесообразно.
|