| Автор |
Сообщение |
|
|
Дата: 04 Окт 2017 21:04:59
#
Антенна =фильтр
|
|
|
Дата: 04 Окт 2017 21:09:25
#
Смотрю я на схему своего будущего радиоприёмного устройства и думаю,а нужны ли входные резонансные цепи,если применять укороченную узкорезонансную антенну? Ведь она и так будет обеспечивать достаточную селективность? Может вдуть сигнал напрямую в усилитель на MMIC типа ERA-1 или MAR-1 и достаточно? Надо бы проверить АЧХ между двумя антеннами в реале ,интересно,насколько крутая характеристика получится... Или проще смоделировать?
|
|
|
Дата: 04 Окт 2017 21:25:43
#
она и так будет обеспечивать достаточную селективность?
все будет зависеть от того, где будет применяться устройство. Замерить бы помеховую обстановку в месте применения и исходя из этого делать выводы о необходимости применения входных цепей.
С другой стороны входные цепи элементарно моделируются и при применении современных элементов не будут занимать много места.
|
|
|
Дата: 04 Окт 2017 23:22:26
#
Хочу вообще свести количество деталей к минимуму. Применяться будет там,куда чужие радиоволны вообще не долетают)). Тайга,тундра,днём на НЧ.
|
|
|
Дата: 04 Окт 2017 23:32:51
#
Применяться будет там,куда чужие радиоволны вообще не долетают))
А зачем тогда там фильтр вообще нужен?!
|
|
|
Дата: 04 Окт 2017 23:40:46 · Поправил: AOR (04 Окт 2017 23:43:24)
#
Ведь она и так будет обеспечивать достаточную селективность? Может вдуть сигнал напрямую в усилитель на MMIC типа ERA-1 или MAR-1 и достаточно?
Сама идея норм, только с сильно укороченной антенны надо обеспечить согласование с тем же MMIC, может через истоковый повторитель или другим способом. Примитивный ФНЧ на входе я бы оставил как и защиту от статики, городить преселектор или какой-то дпф действительно незачем, антенна узкополосная, помех нет.
|
|
|
Дата: 04 Окт 2017 23:50:42
#
Разумеется,согласование со входом обязательно должно быть предусмотрено. Но это решается самой антенной.
|
uveУчастник
  с ноя 2010 Белгород,с. Беленькое, 12 изба от края Сообщений: 1274
|
Дата: 05 Окт 2017 10:13:05 · Поправил: uve (05 Окт 2017 10:37:42)
#
Разумеется,согласование со входом обязательно должно быть предусмотрено. Но это решается самой антенной.
Есть и минусы у такого решения: фильтр на сосредоточенных элементах не меняет своих характеристик от внешних влияний. Узкополосная антенна под действием внешних воздействий(снег , дождь, тело человека и пр.) может существенно отстроиться от рабочей частоты. Надёжней работает более широкополосная антенна с фильтром.
|
|
|
Дата: 05 Окт 2017 13:42:00 · Поправил: 1428 (05 Окт 2017 13:42:54)
#
ERA-1 или MAR-1
Потребляет 100 мА и обладает полосой до 1 ГГц.
Нужен такой кипятильник для СВ КВ?
а нужны ли входные резонансные цепи
В Вашем случае всё зависит от номинала ПЧ 128 кГц одно, 45 мГц другое, а 0 третий вариант.
Вообще всё собрать по схеме прямого усиления.
Опять Вам не дает покоя модем?
|
|
|
Дата: 05 Окт 2017 13:52:34
#
Радиал
раз у Вас место приёма без помех на месте , опасными по амплитуде могут быть только КВ-сигналы дальнего приёма, либо УКВ и радары от самолётов. От этого надо защитить тракт в таком случае. Для этого не надо возиться сложной антенной, тем более в тайге с огромными перепадами по температуре.
определяйтесь частотой Вашего радиоканала , деаете простой контур на входе приёмника и живите спокойно.
Другое дело, если хотите принимать службу точного времени с высоким качеством по фазе.
|
|
|
Дата: 05 Окт 2017 20:14:33
#
1428
Я видел 40 мА,но и это уже в 2 раза больше,чем приёмник потребляет сейчас.
Опять Вам не дает покоя модем?Не модем, а пейджер). Он у меня как раз прямого преобразования.
Хайо
Частота 3,6 МГц.Я и одного контура ставить не хочу.Не вижу в нём смысла.
|
|
|
Дата: 05 Окт 2017 21:08:39
#
На входе ферритовая антенна? Тогда фильтры наверное не нужны.
|
|
|
Дата: 05 Окт 2017 22:26:27 · Поправил: Хайо (05 Окт 2017 22:31:45)
#
Радиал
а приёмник уже выбрали? Надо смотреть его схему, определять, какого размера антенна нужна , чтобы сигнал был нужного уровня. А потом оценить, справится ли приёмник с сигнальным букетом антенны.
Проволочная 15м легко выдаст вечером радиовещание из Китая на 100мВ. Если в старом приёмнике есть вхоной фильтр, это может быть совсем не проблема.
А если подключать современный голый SDR, то перегруз.
Начинайте с того, какой приёмник по эксплуатационным параметрам УДОБНЫЙ для вашей задачи. На 3,6 МГц задача не сложная в тайге.
|
|
|
Дата: 06 Окт 2017 12:19:46 · Поправил: 1428 (06 Окт 2017 12:25:14)
#
а пейджер)
Да, сосем забыл.
Если там ПЧ 0 то без входного контура побочка будет равна 3.6ХN
В этих приемниках максимальная чувствительность получается при работе смесителя на основной частоте, а не так как у некоторых написано, что на удвоенной.
Приемники любят микрофонить из-за неизбежно высокого усиления по НЧ.
Если необходимо расскажу о мало известном способе борьбы с этой напастью.
УВЧ наверное любой на одном транзисторе.
Твердотельники МАР и т.д. тут лишние.
Занесите меня в список приобретателей-испытателей.
|
|
|
Дата: 06 Окт 2017 13:08:01
#
Я бы делал УВЧ на полевом тр-ре. MMIC для такой частоты и задачи не имеет смысла, еще и дороже.
|
|
|
Дата: 06 Окт 2017 13:56:08 · Поправил: Радиал (06 Окт 2017 14:02:57)
#
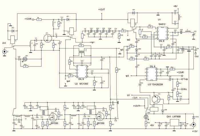
Вот схема устройства на данный момент. Думал избавится от входного контура,если его АЧХ окажется тупее,чем АЧХ антенны.
 |
|
|
Дата: 06 Окт 2017 14:46:07
#
Так у него кварцевый фильтр на частоту канала зеркалку давит. Это как бы и не совсем прямого преобразования. Пожалуй действительно при таком раскладе входные контура и не нужны. Может и УВЧ не нужен. Фильтр согласовать с антенной пассивными цепями(аттенюатор). Уровни входного сигнала все равно большие, десятки микровольт. А кварцы НТСЦшные?
|
|
|
Дата: 06 Окт 2017 15:01:42
#
Если отказываться от входного контура, то надо VT1 включать с общим затвором для согласования с кабелем. Но входная селекция никогда лишней не бывает. Хотя бы ФНЧ какой нибудь.
|
|
|
Дата: 06 Окт 2017 15:25:44
#
Кировчанин
А при схеме с общим затвором усиления хватит? Мне нужно 10 дБ. Без УВЧ пробовал,туповат,чувствительность 5 мкВ.
|
|
|
Дата: 06 Окт 2017 15:28:47
#
Оставьте как есть.
|
|
|
Дата: 06 Окт 2017 16:12:36
#
По-любому закритикуют, но я не вижу ничего особо лишнего. Это же не перестраиваемый приемник, пусть будет с контуром на входе. И возможностью заменить антенну случайным куском провода в случае поломки.
|
|
|
Дата: 06 Окт 2017 17:55:34
#
AOR
Уж если специалист с таким уважаемым ником думает о замене антенны на кусок проволоки,то что же ожидать от дилетантов-таёжников!)) Я принципиально не хочу даже мысль близко подпускать о том,что полуволновый диполь можно чем-то ещё заменить.На этом моменте и настанет конец радиосвязи.
|
|
|
Дата: 06 Окт 2017 19:30:07
#
Да кто там будет диполь с кабелем вешать? В лучшем случае наклонный луч с противовесом, партизанская антенна. И хорошо бы по 20 метров, а не 12, как у Карата. И какая может быть селективность у такой антенны?
|
|
|
Дата: 06 Окт 2017 19:56:36
#
Радиал
принципиально Вашему премнику хватит усилителей для хорошей чувствительности. SA612 не самый тупой дивайс, да и ПТ на входе с трансформацией потенциально обеспечит хорошую чувствительность.
Если предполагать карцевый фильтр на 3680 кГц, там кварцы довольно точные и качественные , покупайте в корпусах "страрьё" - кристаллы побольше, добротность лучше, АЧХ более прямоуголная. Получаете идеальную АЧХ для качественного SSB.
Но Вы разбазаруете усиление УВЧ в резисторах вокруг кварцевого фильтра.
Для решения проблемы надо узлы к фильтру согласовать с помощью резонансных контуров. Сначала построите фильтр, настроете его, чтобы АЧХ была самая хорошая. При этом увидите, какой импеданс фильтру нужен. Значение тяжело предсказать, наверно в нижнем кОм диапазоне будет.
Потом определяется импеданс узлов , которые к фильтру подключаются. При передаче согласование резитсорами ещё созволено, МС1350 имеет хорошее усиление. А для приёма переход от УВЧ и к 612ом делать контурами. Заодно сможете к 612ому подавать сигнал симметрично, что повысит поемехоустойчивость и линейность.
Вход 612ого переваривает размах до 40мВ между 1 и 2 без особо слышимых искажений. Думаю , в тайге приёмник без АРУ даже неплохо работает.
Но мне кажется, лучще делать кварцевый фильтр и МС1350 как один компактный узел и пользоваться в 1350 возможностью от руки установить приятное усиление при приёме. Тогда к 612 можно делать резистивную стыковку. А на входе поставить ПТ в ОЗ.
|
|
|
Дата: 06 Окт 2017 20:16:54
#
Радиал
Я был не в курсе о применении полуволнового диполя, однако хочу отметить, при эксплуатации дилетантами средств связи случаются разные инциденты, в том числе повреждения афу, это чаще всего, возможна работа на поврежденную/несогласованную антенну или ее заменитель, что в том или ином виде следует предусмотреть.
|
|
|
Дата: 06 Окт 2017 20:41:47
#
если полноразмерная антенна - то можно просто аттенюатор 10дБ, защита , кварцевый фильтр, МС1350, резистивный переход , SA612.
УВЧ вряд ли нужен.
|
|
|
Дата: 06 Окт 2017 22:29:59 · Поправил: killer258 (06 Окт 2017 23:12:45)
#
если частота единственная 3.6 мгц и перенастройка не требуется, так может, тогда сделать рамочную КВ антенну в корпусе из большого обруча например, и настроить всё это на фиксированную частоту? не придётся одной рукой КПЕ на приёмнике крутить, другой на антенне. Она будет очень высокодобротной и узкополосной по сравнению с диполем
|
|
|
Дата: 07 Окт 2017 00:20:49
#
Хайо
Вопросом согласования фильтра с активными устройствами я занимался долго,но,как видите,бесполезно. В конце концов для выравнивания АЧХ поставил резисторы,что разумеется,топорно. Читал Ваши статьи,но заняться конкретно по ним пока у меня не получалось.
Согласование LC цепочками у меня получалось вполне удачно,но...только на приборе. А вот как учесть входные и выходные импедансы SA612 И УВЧ , я не понимаю. Пытался мерить прибором,согласовывал,но конечный результат-изрезанная АЧХ всё равно.
Вообщем,это уже другая тема. Если Вы не против,пообщаемся в личке.
|
|
|
Дата: 07 Окт 2017 00:26:00
#
Да кто там будет диполь с кабелем вешать?
Странный подход,воистину таёжный!)) Вы в машину бензин заливаете,или что под руку попадётся? Если в комплекте радиостанции идёт полуволновый диполь,в инструкции написано,что антенной может быть только полуволнового диполя,то если какой-то идиот будет подключать наклонный луч,то флаг ему в руки. Я понимаю,что "умников" много,но это уже их проблемы,пусть не удивляются,что связи нет.
|
|
|
Дата: 07 Окт 2017 05:51:21 · Поправил: UA0OAG (07 Окт 2017 06:44:17)
#
Странный подход,воистину таёжный!))
Да не странный, а практический. Диполей мало было даже в эпоху повсеместного применения производственной КВ радиосвязи. Хотя и книжки-инструкции к радиостанциям прилагались, и мачты складные, и даже курсы обучения какие то организовывали. Все пытались какими то проволоками обойтись, благо встроенные согласующие устройства позволяли это.
Вы же хотите обойтись без согласующего устройства, в надежде на то, что диполь(правильно установленный и настроенный) сам по себе вроде бы контур, и имеет частотную избирательность и нулевую реактивность. Хорошо бы конечно, но... увы, вряд ли получится, ну разве что Вы сами его и будете вешать:)
Диполь, это 40 метров провода, кабель и самое главное две точки подвеса, хотя бы 7-10 метров от земли. Даже в предельно извращенном виде:) это те же 40 метров провода МГШВ, фидер-полуволновик из ТРП, и одна точка подвеса. Вешали, знаем:)
Не, все таки 50 ом не самое лучшее решение в данном случае, хотя и простое(для приемопередатчика). С согласующим все таки получше будет. Но как бы это все попроще сделать, в комплексе?
Может так: антенна - Фукс, те же 40 метров провода, одна точка подвеса за середину, максимум тока на максимальной доступной высоте и никакого кабеля, согласующее устройство простое, параллельный контур с отводом,с нужным для согласования с кварцевым фильтром сопротивлением(единицы килоом), им же и реактивности скомпенсируются, потери минимальные, чувствительности и без УВЧ хватит, на передачу свой отвод, может и без антенного реле удастся обойтись. Как думаете?
|