| Автор |
Сообщение |
|
|
Дата: 21 Янв 2008 14:06:00
#
Как можно собрать самую простую схему аппаратного ГСЧ с использованием диода?
В далнейшем хочу с помощю МК соединить с ком. Это реално?
|
|
|
Дата: 21 Янв 2008 18:54:25
#
Объясните, пожалуйста, подробнее, что вы имеете в виду под аппаратного ГСЧ с использованием диода. Если генератор случайных чисел - то ищите по словам "генератор шума на стабилитроне". Вот, например, схема с http://www.qrz.ru/schemes/contribute/beginners/gen.shtml
http://www.qrz.ru/schemes/contribute/beginners/gen01.gif
Можете сделать так. Выкидываете контура, сигнал со стабилитрона усиливаете раз в 50 и подаете на компаратор. С компаратора на микроконтроллер, который считает время между каждыми двумя импульсами. Время между ними будет случайным.
Либо сигнал с усилителя подаете на АЦП микроконтроллера и переодически снимаете отсчеты. |
|
|
Дата: 21 Янв 2008 23:26:36 · Поправил: CO2040 (21 Янв 2008 23:33:25)
#
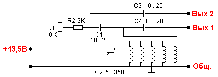
Самая лучша схема шумового генератора, работающая в очень широком диапазоне частот получается с использованием КГ401. Чтобы была цифровая последовательность никаких АЦП не нужно - достаточно чувствительного стробируемого компаратора. Или можно компаратор не стробировать, а сделать это после на логическом элементе.
Вот схема двухканального ДСЧ на КГ401. Вам достаточно будет собрать 1 канал. В качестве компаратора отлично работает К554СА4. Но ей, как собственно и диоду нужны два питания.
 Увеличить |
|
|
Дата: 21 Янв 2008 23:39:05 · Поправил: CO2040 (21 Янв 2008 23:42:02)
#
А, вот ещё что. Если не применяется усилитель, то компаратор нужен обязательно сравнивающий двуполярный сигнал. Быстродействие компаратора - не хуже 20нс (для работы с диодом КГ401). Встроенные в микроконтроллеры компараторы для ДСЧ не годятся.
Чисто практически данный узел нужно стараться изолировать от цифровых цепей и фильтровать питание. Землю сделать отдельным полигоном и соединить с общей землёй через проходную индуктивность. Наводки на шумовой диод и усилитель со стороны цифровой части существенно ухудшают случайную последовательность - появляется корреляция из-за паразитной модуляции шума "цифровыми" помехами, обычно имеющими строгий период.
|
|
|
Дата: 22 Янв 2008 09:28:55
#
привет !!! спасибо всем .
Объясните, пожалуйста, подробнее, что вы имеете в виду под аппаратного ГСЧ с использованием диода.
я хочу собрать ГСЧ, мне посоветовали собрать его на диоде. Для взаимодествие ГСЧ с ком. я буду использовать микроконтроллер НС68...... не могу понять как соединить ГСЧ с микр. помогите решить эту проблемму
|
|
|
Дата: 22 Янв 2008 09:40:11
#
C компаратора сигнал можно подавать непосредственно на один из портов. А там либо просто смотреть его состояние в интересующий момент времени, либо прерывание на фронт назначить...
От полосы необходимой зависит, конкретного микроконтроллера и задачи.
|
|
|
Дата: 22 Янв 2008 10:21:43
#
BAXA
ГСЧ Генератор Сигналов Ч ?
|
|
|
Дата: 22 Янв 2008 12:45:18
#
именно в какую ношкам присоединит ГСЧ???
RadioKoteg
ГСЧ это Генератор Случайных Чисел.
|
|
|
Дата: 22 Янв 2008 12:58:57
#
ГСЧ это Генератор Случайных Чисел.
Пришла гениальная идея! А если к звукоухе присоеденить например на микрофонный вход стабилитрон и подать на его ток то получится генератор шума,чем вам не ГСЧ ?
|
|
|
Дата: 23 Янв 2008 21:51:58
#
А там либо просто смотреть его состояние в интересующий момент времени, либо прерывание на фронт назначить...
Не будет работать. Вернее будет, но появиться корреляция = периоду опроса пина. А попытка назначить под это дело прерывание завесит микроконтроллер намертво ...
Если в микроконтроллере есть встроенный счетчик, то самое лучшее - подать на его счетный вход последовательность с компаратора. При обращении к счетчику будете считывать случайный код.
А если нет, то берется быстродействующий регистр сдвига, тактовый сигнал (можно брать и частоту, которой тактируется МК, но по любому частота тактирования должна быть обязательно ВЫШЕ верхней граничной частоты генератора раза в 2-3, для диода КГ401 это от 10МГц и выше, обычно - 20МГц).
На вход данных регистра сдвига - сигнал с компаратора, на тактовый вход - эту самую тактовую частоту.
|
|
|
Дата: 23 Янв 2008 21:54:04
#
ГСЧ это Генератор Случайных Чисел.
Обычно в криптотехнике другое определение часто встречается - ДСЧ (датчик случайных чисел), особенно в обозначении устройств которые генерируют на физическом уровне случайную последовательность.
|
|
|
Дата: 25 Янв 2008 11:53:13
#
Привет!!!
CO2040
Вопрос Вот я хочу сделать 1-ный гсч значит убираю один диод и все его соединения? правильно? и выход1 с компаратора соединять с входым (3 5 7) чего ? Можетели обяснить более подробно схему или есть ссылка на неё?
|
|
|
Дата: 25 Янв 2008 12:18:11
#
А попытка назначить под это дело прерывание завесит микроконтроллер намертво ... в общем согласен, хотя есть над чем тут подумать...
Если в микроконтроллере есть встроенный счетчик, то самое лучшее - подать на его счетный вход последовательность с компаратора. При обращении к счетчику будете считывать случайный код. ?? обращение-то будет периодическое, причем, нужно думать, с достаточно большим периодом. Следовательно счетчик будет за это время насчитывать определенное среднее значение, пропорциональное периоду и зависяще от статистических свойств последовательности с компаратора. Тоже не лучший выход. Требуется последующая обработка, да и полоса сильно счетчиком снижается.
В итоге периодично читать порт со случайным значением мне видится всеже наиболее правильным путем. Пока не понимаю откуда взяться корреляции, ведь выборки производятся из случайного процесса. Ну те конечно понятно, что если на основании этих данных потом восстанавливать шум, то его полоса будет огрничена и это ограничение связанно именно с частотой выборки, но от этого никуда не деться.
Полученную случайную битовую последовательность можно уже интерпретировать как угодно, например просто тупо загонять в последовательный регистр. В результате равновероятны будут все числа разрядности этого регистра, а не какой-то диапазон, как в случае счетчика.
Или нужно мне еще матчасть поучить?
|
|
|
Дата: 31 Янв 2008 22:22:07
#
Добрый вечер!
Кто знает какие-нибудь хорошо шумящие элементы в SMD исполнении? (для поверхностного монтажа). Может просто стабилитроны (генератор тока на них повесить и в режиме пробоя чтобы работал).
Если есть хоть какая-то мысль, пишите сразу. Мне в диплом надо срочно врисовать :)
Спасибо!
|
|
|
Дата: 07 Фев 2008 01:39:06
#
RANDOM NOISE GENERATOR
DIGITAL NOISE SOURCE
NATIONAL SEMICONDUCTOR
MM5437N
|