На главную страницу сайта
· Наш магазин · Объявления · Рейтинг · Статьи · Частоты · Копилка · Аэродромы · Live!
· Файлы · Диапазоны · Сигналы · Музей · Mods · LPD-форум · Клуб · Радиостанции
На сайте: гостей - 78,
участников - 7 [ wazzoo, Lomonosoff, Windk, Iceman, spbtvmaster, DeepM, PCR]
 · Начало · Опросы · События · Статистика · Поиск · Регистрация · Правила · FAQ · Галерея ·
 Форум —› Разработка, ремонт, схемы, модификации —› К174ХА2 
Си-Би радиостанции в нашем магазине: Alan и Midland, Alinco, Intek, MegaJet, President, Yosan, Беркут, Таис


Alan 48 Excel
руб.

Alinco DR-135CBA New
руб.

MegaJet MJ-3031M Turbo
руб.

President Harry III ASC
руб.

Yosan Stealth 5
руб.
 Страница:  ««  1  2  3  4  5  »»Поиск в теме
Автор Сообщение
CO2040
Участник
Offline4.3
с июн 2003
Москва/тульская обл.
Сообщений: 2295

Дата: 24 Окт 2005 10:42:22 #  

В МЭКе,на сегодня :" Фильтр ЭМФДП-500Н-2.35 33 руб.60 коп "
"Кварц.резонатор НС-49 500 кГц имп. 19 руб.95 коп"
Кто ищет-тот найдёт,как говорится...


Таких цен на ЭМФ быть принципиально не может. Это очень крутой загиб. Или как минимум нолик справа в рублевой цене ЭМФ дописать забыли.
rw6hrm
Участник
Offline3.0
с июл 2005
Ставрополь
Сообщений: 1111

Дата: 27 Окт 2005 17:10:32 #  

...это чтоб показать, что один ЭМФ дешевле двух китайских кварцев :)...
pav1904
Участник
Offline1.5
с окт 2005
Рязань
Сообщений: 137

Дата: 22 Ноя 2005 22:12:44 #  

Ну что, кто-нибудь делал такую схему с фильтром на 8,86 MHz?
Как получилось с такой высокой ПЧ для этой микросхемы ?
rw6hrm
Участник
Offline3.0
с июл 2005
Ставрополь
Сообщений: 1111

Дата: 23 Ноя 2005 08:35:28 #  

Да делай и не парься, все нормально работает. Уже несколько челов (насколько мне известно) повторили с фильтром на 8,86 и все работает. Иначе бы мне икалось со страшной силой :). Эта м/с спокойно выдерживает и 10,7 МГц, только приходится контур подсоединять с отводом. Внимательней читай литературу, там все по этому поводу еще лет пятнадцать назад писалось.
pav1904
Участник
Offline1.5
с окт 2005
Рязань
Сообщений: 137

Дата: 23 Ноя 2005 20:01:48 #  

rw6hrm
Вот спасибо, Вы меня убедили! А ещё знаете какую-нибудь схему SSB-трансивера на одной микросхеме? Мне в этой схеме не нравится что выходы ГПД и КГ надо переключать при переключении RX - TX . В трансивере "АНЖ" гетеродины не переключаются. Каждый работает на свой балансный смеситель.
rw6hrm
Участник
Offline3.0
с июл 2005
Ставрополь
Сообщений: 1111

Дата: 23 Ноя 2005 22:55:15 #  

Посмотри на краснодарском сайте описание платы "Слобода". Хоть и не на одной м/с, зато с переключением гетеродинов проще.
Djon bogd
Участник
Offline3.0
с авг 2005
Свердловск
Сообщений: 561

Дата: 25 Ноя 2005 13:35:19 #  

Вот тут уже платы сижу рисую под под ету схему. Жду каких нибудь рекомендаций:)
rw6hrm
Участник
Offline3.0
с июл 2005
Ставрополь
Сообщений: 1111

Дата: 25 Ноя 2005 14:31:02 #  

Как говорил один руководитель крупного НИИ: "Пробуй" :) ТОлько постарайся, чтобы длина подсоединительных дорожек к 1 и 2 ножкам были примерно одинаковы (если вход выполнишь балансным. Если нет - пофигу). Остальное прекрасно было описано в журнале. Кстати, попробовал я на китайских пьезиках сварганить четырехкристальный фильтр. Получилось как по писаному. Потом отыскал случайно Радио года так 69-го, там все было описано прекрасно - так и получилось. Затухание получилось около 42 дБ, в полосе пропускания - 0,5 дБ. Недостаток - "затянутые" скаты, но это достаточно легко лечится. ДЛя полосы пропускания в 2,7 кГц резонансный интервал составил 1,3 кГц.
Опытный
Участник
Offline2.9
с ноя 2005
Сообщений: 1449

Дата: 25 Ноя 2005 18:40:27 #  

на китайских пьезиках сварганить четырехкристальный фильтр
"затянутые" скаты

А пьезики Вы использовали абсолютно идентичные? :-)
И, пожалуйста извините, а что такое у фильтра резонансный интервал?
RK6AJQ
Участник
Offline2.1
с сен 2005
Краснодар
Сообщений: 311

Дата: 25 Ноя 2005 18:58:20 #  

rw6hrm Кстати, попробовал я на китайских пьезиках сварганить четырехкристальный фильтр. Получилось как по писаному. Потом отыскал случайно Радио года так 69-го, там все было описано прекрасно - так и получилось. Затухание получилось около 42 дБ, в полосе пропускания - 0,5 дБ. Недостаток - "затянутые" скаты, но это достаточно легко лечится. ДЛя полосы пропускания в 2,7 кГц резонансный интервал составил 1,3 кГц.
Метоту напечатайте плиз.
Надо.
rw6hrm
Участник
Offline3.0
с июл 2005
Ставрополь
Сообщений: 1111

Дата: 25 Ноя 2005 20:27:59 #  

2Опытный: нет, не идентичные. Резонансный интервал относится не к фильтру, а к входящим в него кварцам. Грубо скажем - по последнему моему посту, это разница в частотах применяемых кварцев. Если одни генерят (во внешней схеме) на 454,7 кГц, то два других - на 456 кГц. Располагаются крестом.

2RK6AJQ: поищу журнал (или журналы, есть несколько конструкций), дам ссылку. Если будет сложно найти - сканерну и выложу. Вообще это немного сумбурно описано в Справочнике Коротковолновика Бунина и Яйленко.

Подбор кварцулек осуществлял прямо в магазине (предварительно поставив пыво продавцу шоб не вякал); с собой взял небольшой частотомер плюс трехточка. Вставил - записал частоту - отложил - выбрал подходящее. Много времени это не заняло. Вариант подбора пьезиков описан на моей страничке, см. посты ранее.

...а настраиваю я вообще на слух, есть двадцатилетний опыт. Просто до ачхометра добраться очень трудно...
RK6AJQ
Участник
Offline2.1
с сен 2005
Краснодар
Сообщений: 311

Дата: 25 Ноя 2005 20:38:51 #  

rw6hrm
Вообще это немного сумбурно описано в Справочнике Коротковолновика Бунина и Яйленко.
читал интерестно. поищу журнал (или журналы, есть несколько конструкций), дам ссылку. Если будет сложно найти - сканерну и выложу.
если не трудно.
rw6hrm
Участник
Offline3.0
с июл 2005
Ставрополь
Сообщений: 1111

Дата: 26 Ноя 2005 14:05:29 #  

Смотрите архив на http://www.qsl.net/rw6hrm/zips/kvf.zip или зеркало http://rw6hrm.tripod.com/zips/kvf.zip . Источник: Радио, №7, 1966. Накопаю чего еще - также выложу.

Из архива можно запросто выкинуть описалово подгонки частоты, бо подобрать требуемый разнос из кучи кварцев в магазине ИМХО гораздо проще.
RK6AJQ
Участник
Offline2.1
с сен 2005
Краснодар
Сообщений: 311

Дата: 26 Ноя 2005 16:45:41 #  

http://www.qsl.net/rw6hrm/zips/kvf.zip - скачал спасибо.
а с зеркала не получилось.
Будет чем в январе занятся.
pav1904
Участник
Offline1.5
с окт 2005
Рязань
Сообщений: 137

Дата: 26 Ноя 2005 21:32:47 #  

rw6hrm
Вы уж извините меня за такой вопрос, но как расшифровывается или что значит абривиатура "ИМХО" ?
rw6hrm
Участник
Offline3.0
с июл 2005
Ставрополь
Сообщений: 1111

Дата: 26 Ноя 2005 22:18:25 #  

in my humble opinion - по моему скромному мнению :)
pav1904
Участник
Offline1.5
с окт 2005
Рязань
Сообщений: 137

Дата: 26 Ноя 2005 23:10:26 #  

Спасибо!
rw6hrm
Участник
Offline3.0
с июл 2005
Ставрополь
Сообщений: 1111

Дата: 27 Ноя 2005 10:54:33 #  

С зеркала качается, только придется копировать строчку в новое окно, иначе дает ошибку...

...ну что с америкосов взять...
Demon
Участник
Offline2.6
с мая 2004
Екатеринбург
Сообщений: 118

Дата: 27 Ноя 2005 15:20:44 #  

Кто может сбросить схему трансивера "АНЖ"? Заранее спасибо!
rw6hrm
Участник
Offline3.0
с июл 2005
Ставрополь
Сообщений: 1111

Дата: 27 Ноя 2005 19:40:59 #  

2pav1904: скоро сброшу новую схему радиотракта, в котором не будет переключений гетеродинов и будет один вход/выход. Пока у меня она в виде макета, но скоро вырисую. "Недостаток" - чуть больше моточных элементов.
UA4HVS
Участник
Offline1.9
с ноя 2005
Тольятти
Сообщений: 310

Дата: 27 Ноя 2005 19:55:52 #  

Подскажите где в инете можно купить ЭМФы Муратовские или другие (отечественные) на 455 кГц, только нужна линейка - на 12или10 на 6 на 4 на 2,4 и уже кГц?
Искал но не нашел что-бы по почте и розницой..........
Djon bogd
Участник
Offline3.0
с авг 2005
Свердловск
Сообщений: 561

Дата: 27 Ноя 2005 20:34:06 #  

rw6hrm
Остановил я разводку платы из за етого скоро сброшу новую схему радиотракта, в котором не будет переключений гетеродинов и будет один вход/выход. Пока у меня она в виде макета, но скоро вырисую. "Недостаток" - чуть больше моточных элементов. :)

Жду с нетерпением схемы!
rw6hrm
Участник
Offline3.0
с июл 2005
Ставрополь
Сообщений: 1111

Дата: 28 Ноя 2005 12:35:02 #  

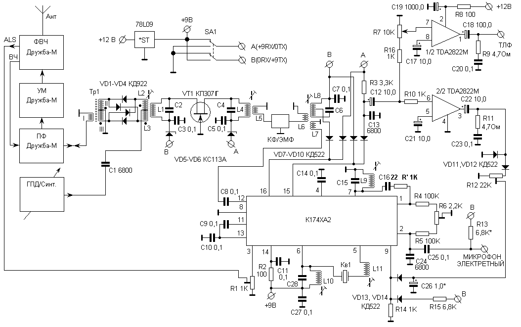
Ловите новый вариант схемы, http://www.qsl.net/rw6hrm/pics/174ha2trx.gif
Звиняйте, что от руки и без платы - срисовал с макетки, как получилось. Описания мало, но понятливому хватит :). Вопросы в личку или мылом
Дата: 28 Ноя 2005 13:54:58 #  

UA4HVS, а как называются ЭМФы Мюратовские? типы, ссылочки...
Опытный
Участник
Offline2.9
с ноя 2005
Сообщений: 1449

Дата: 28 Ноя 2005 14:21:15 #  

По поводу двух лишних ног в керамической 174ХА2. (Это я ошибся - перепутал с керамической 174ПС1 - это у нее на 2 ноги больше). У ХА2 разных версий - корпус 16 ног. Извиняюсь.
Djon bogd
Участник
Offline3.0
с авг 2005
Свердловск
Сообщений: 561

Дата: 28 Ноя 2005 19:04:53 #  

rw6hrm
А описание кратенькое что как работает можно?:)
rw6hrm
Участник
Offline3.0
с июл 2005
Ставрополь
Сообщений: 1111

Дата: 28 Ноя 2005 22:11:16 · Поправил: rw6hrm #  

А пальчиком по страничке поводить? :) Пока берите что есть, подготовлю полностью страничку с уточненными рисунками (так, мелочь, расставить нумерацию) к концу недели. Пока посравнивайте с предыдущим вариантом.
pav1904
Участник
Offline1.5
с окт 2005
Рязань
Сообщений: 137

Дата: 29 Ноя 2005 01:36:56 · Поправил: pav1904 #  

Опытный
По поводу двух лишних ног в керамической 174ХА2. (Это я ошибся...

Ну хорошо, тогда возьму панельку под микросхему на 16 контактов.

rw6hrm
Ловите новый вариант схемы, http://www.qsl.net/rw6hrm/pics/174ha2trx.gif

Мне кажется лучше уж "АНЖ". Настраивать меньше, и хитрых подстроечных катушек с тремя обмотками нет. А если собрать на чип-элементах, то очень даже маленький получится.
pav1904
Участник
Offline1.5
с окт 2005
Рязань
Сообщений: 137

Дата: 29 Ноя 2005 01:50:56 #  

Demon
Кто может сбросить схему трансивера "АНЖ"? Заранее спасибо!

Я могу лишь написать где и когда она была напечатана.
Дата: 29 Ноя 2005 03:16:55 #  

pav1904
Я могу лишь написать где и когда она была напечатана.
в студию, плс!
 Страница:  ««  1  2  3  4  5  »» 

Создавать сообщения могут только зарегистрированные участники форума.
Войти в форум :: » Логин » Пароль
Начало
Средства связи, рации. Купить радиостанции Motorola, Yaesu, Vertex, приемники, антенны.
Время загрузки страницы (сек.): 0.058; miniBB®